Julbelysning

Sedan jullen 2011 har jag haft ljusslingor i färgerna Röd Grön Blå uppsatta i ett träd i våran trädgård.

Nu till julen 2012 ska jag försöka att dimmra mina ledljusslingor varie färg för sig med jhälp av en dator med skrivarport och en elektronisk styrpräda som jag konstruerar själv och ett program som kan styra skrivarporten. Tanken är att jag ska kunna välja vilken färg jag vill ha på trädet och kanske även låta den ändra färg själv aoutomatiskt.

Efter några tester så har jag uptäckt att parralell porten inte kan arbeta i dem frequvenser som jag ville (100-1000Hz).

Lösning

Arduino!!! Det är en mickroprocessor som sitter på ett controllkort som enkalt kan koplas samman med datorn via en USB kabel för att ladda in en skriven program kod för att styra in och utgångar på kortet. Läs mer om Arduino HÄR.

RGBV proj 0.1

Nu har jag ett fungerande system. Det är inte snyggt men det funkar. Här under kommer lite bilder med förklaringar.

Trädet med julbelysning i.

Här ligger mitt dimmer kort med en Arduino inkopplad.

Jäkla röra det är men det fungerar. :P

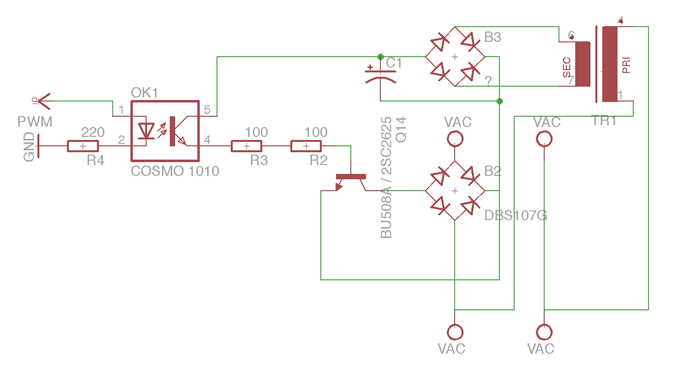
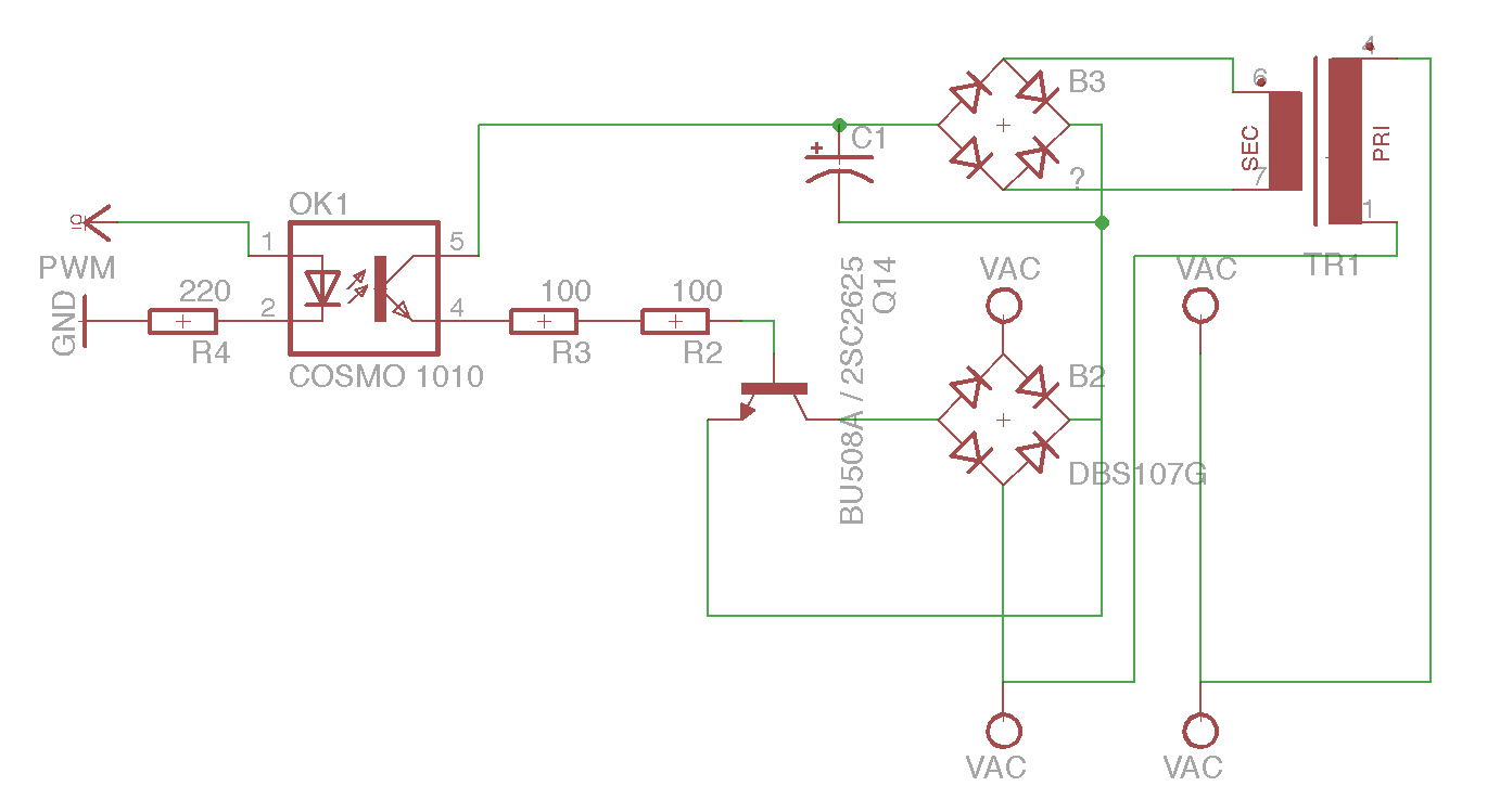
Detta är 1/3 av mitt dimmerkort.

Mina projekt , Digitalt Skapande 1 , 2012-09-21 - design copyright © 2012 TTM - innehåll © TTM Projekt